- Технология
- Каталог
- Вакуумная техника
- Высоковакуумные насосы
- Диффузионные насосы
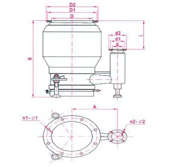
- Высоковакуумный диффузионный насос EVP KT500
Высоковакуумный диффузионный насос EVP KT500
- Производительность до 9000 л/с
- Предельный вакуум до 5х10-7 мбар
- Допустимый высокий форвакуум
Высоковакуумный диффузионный насос EVP KT500
Описание
Диффузионный насос - это высокопроизводительный надежный продукт, разработанный компанией EVP. Скорость перекачки насосов с начинается от 1700 л/с до 16000 л/с. Преимущество диффузионных насосов заключаются в широком диапазоне применения и стабильной производительности, в возможности откачки при грубом вакууме и в отсутствии изнашиваемых компонентов.
Применения
ускорители частиц, физика высоких энергий, вакуумные лаборатории,масс-спектрометрия
установки нанесения тонких пленок, установки нанесения износостойких покрытий
производство полупроводников, авиакосмическая промышленность
Мы поможем вам подобрать и купить необходимое оборудование для лаборатории. Компания «МИЛЛАБ» работает с производителями напрямую, потому у нас объективные цены на всю продукцию и устройства!
Компания МИЛЛАБ предлагает услуги собственной сервисной службы, которая обеспечивает бесперебойную эксплуатацию оборудования, поставляемого нашей компанией, профессиональное сервисное обслуживание для максимального использования всех функциональных возможностей оборудования:
1. Выполнение пуско-наладочных работ лабораторного и технологического оборудования.
2. Обучение операционного персонала наших клиентов.
3. Гарантийное обслуживание в соответствии с требованиями предприятия-изготовителя.
4. Ремонт лабораторного оборудования.
5. Ремонт испытательного и технологического оборудования, в том числе заправка хладагентами термостатов, климатических камер и морозильных шкафов.
6. Техническое/регламентное обслуживание поставляемого оборудования.
7. Валидация оборудования для фармацевтических производителей.
8. Поставка оригинальных запчастей.
Мы работаем с юридическими и физическими лицами по безналичному расчету.
После уточнения всех необходимых деталей, менеджер вышлет вам счет на оплату по электронной почте.
Счет оплачивается через банк.
Для физических лиц предоставляется кассовый чек.
Доставка осуществляется по России и странам СНГ транспортными компаниями Деловые Линии и Желдорэкспедиция.
Если вы предпочитаете работать с другой транспортной компанией, необходимо указать в заявке название компании, сайт.
Точная стоимость доставки рассчитывается менеджером при подтверждении заказа в зависимости от характеристик оборудования и населенного пункта места назначения.
Вы можете забрать оборудование сами с нашего склада, который расположен по адресу г. Мытищи, Московская обл, ул. Силикатная , д. 19, стр. 16.
Для самовывоза необходимо предварительно согласовать с оператором склада дату и время получения товара.
Для получения товара необходимо предоставление доверенности организации, а для получения товара при оплате физическим лицом необходим паспорт.
Вы просматривали
Вы можете не печатать документ полностью, а выбрать страницы с описанием интересующих вас моделей в параметрах печати


.jpg)

.png)
.jpg)
.jpg)


